Armatura pro měření průtoku a teploty Kemper CONTROL-PLUS, DN 15

Armatura pro měření průtoku a teploty CONTROL-PLUS je armatura určená pro spolehlivý provoz technických rozvodů vody.

Hlavní výhody:

  • S výstupovým signálem
  • K přesnému zjištění objemových proudů a teplot v systémech pitné vody
  • konstrukce bez kontaktu média s mosazí je vhodná i pro náročnější provozní podmínky
  • Těleso snímače s nízkou tlakovou ztrátou
  • Až 50% z rozsahu měření: odchylka max. 1% z konečné hodnoty rozsahu měření
  • Od 50% z rozsahu měření: odchylka max. 2% z naměřené hodnoty
  • K připojení systémových řízení KHS


Technické informace:

  • Série: Komponenty proplachování KHS
  • Objednací číslo: 1384G01500
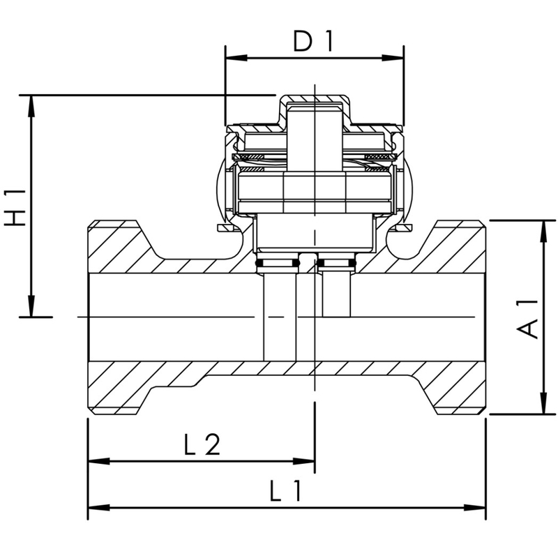
  • DN: 15
  • Tlakový stupeň: PN 10
  • Min. průtoková rychlost 0.2 m/s
  • Max. průtoková rychlost 2.5 m/s


Příslušenství:

  • Trubkové šroubení z červeného bronzu Figur 476 04
  • Šroubení s vnitřním závitem z červeného bronzu Figur 476 06
  • Šroubení s vnitřním závitem z červeného bronzu, s vypouštěním Figur 476 07
  • Kabel M12x1 s volnými konci Figur 138 00 012
  • Šroubení s vnějším závitem z červeného bronzu Figur 476 08
  • Univerzální šroubení k pájení a nalisování Figur 476 14
  • Izolační pouzdro pro VAV Plnoprůtokový - uzavírací ventil a CONTROL-PLUS měřící armaturu Figur 471 19
  • Systém lisovaného šroubení Geberit MAPRESS nerez a měď Figur 476 22
  • Systém lisovaného šroubení Viega SANPRESS a PROFIPRESS Figur 476 30
  • Sensor- modul pro převod dat Figur 138 00 011


Náhradní díly:



Normy a schválení:

  • WRAS
  • hodnoticích kritérií Spolkového úřadu pro životní prostředí pro materiály
  • které jsou v kontaktu s pitnou vodou (UBA KTW BWGL)
  • hodnoticích kritérií Spolkového úřadu pro životní prostředí pro kovy (UBA BWGL Metalle)
  • ÜA-Reg.-Nr. R-15.2.3-21-17048
  • WIEN-ZERT


Doporučujeme:

Pokud hledáte Armatura pro měření průtoku a teploty CONTROL-PLUS pro spolehlivý provoz technických rozvodů vody, tato varianta nabídne parametry a konstrukční prvky, které usnadní montáž, servis i dlouhodobý provoz.

Armatury podporují bezpečný provoz rozvodů a zjednodušují údržbu technických instalací. Vhodná volba a kompatibilita usnadní montáž a podpoří dlouhodobou spolehlivost systému.

Moderní technologie pro vaše vytápění - Richter + Frenzel. Nabízíme inovativní systémy pro rozvody vody a topení.

Více o produktu

U Dodavatele

Katalogová cena:
22 942,81 Kč s DPH

Aktuální prodejní cena:
20 648,53 s DPH

17 064,90 Kč bez DPH

KS

Rozdíl mezi katalogovou a prodejní cenou: 10%
Nejnižší prodejní cena za 30 dní: 20 648,53 Kč s DPH

Kód zboží:

989203

Kód dodavatele:

1384G01500

EAN:

Značka:

Kemper

Kategorie:

Série:

Kemper - Systém řízení KHS

Země původu:

Německo

Popis produktu

Technické parametry

Přepravované médium

Pitná voda

Materiál

Nerezová ocel

Max. provozní tlak

1 MPa

Závit

3/4"

Max.teplota (média, okolí)

100 °C

Max. provozní tlak

PN10

Balení

1 KS

Provedení závitů

Vnitřní

Max. provozní tlak

10 bar

Jmenovitá světlost

DN 15

Hmotnost

0,29 kg

Hloubka/délka

65 mm

Šířka

39 mm

Výška

44 mm

Proč nakupovat na Plano.cz

Spolupracujeme s profesionály

Spolupracujeme s profesionály

Jsme partnerem pro řemeslníky, firmy i domácí kutily. Nabízíme kvalitní a osvědčené produkty pro koupelny, vodu, topení, zahradu a dům.

Máme vše co potřebujete

Vše, co potřebujete na jednom místě

Od vodoinstalačních prvků po radiátory, od zahradních hadic po profesionální nářadí – u nás najdete vše pro dům, byt i zahradu.

Optiline a Plano

Naše vlastní značka = kvalita za férovou cenu

Produkty Optiline, Plano a For zaručují precizní zpracování a výhodnou cenu. Nakupujete přímo od specialistů pro koupelny, vodu a topení.

Doplňkové služby

Odborné služby a individuální přístup

Pomůžeme s výběrem produktů, vyřízením dotací, vytvořením 3D návrhu koupelny a poradíme Vám s každým projektem.

Výhradní distributor sanitárních produktů Kermi v ČR.