Konvektor podlahový s přirozenou konvekcí Isan Termo FRK 140 x 350 x 2500 mm, 1503 W, připojení vlevo, výměník ocelový, mřížka Natur příčná rolovací hliník

Podlahové konvektory Isan Termo FRK jsou navrženy k instalaci pod velkoplošná prosklení, kde účinně zabraňují pronikání chladného vzduchu z okenní plochy do interiéru. Teplý vzduch proudí přirozenou konvekcí, vytápí obytné prostory a vytváří příjemné klimatické podmínky. Tyto konvektory se standardně využívají jako doplňkové vytápění, ale jejich tepelný výkon může být dostatečný i pro použití jako hlavní zdroj tepla.

Konvektory FRK jsou ideální volbou pro:

  • Zimní zahrady
  • Komplexní vytápění prostor s prosklením
  • Vstupní haly a komerční prostory
  • Kombinaci s dalšími typy vytápění

Vlastnosti:

  • Vysoký výkon díky přirozené konvekci.
  • Rovnoměrné vertikální a horizontální rozložení teploty v místnosti.
  • Estetická designová mřížka s možností výběru materiálu (hliník, nerez).
  • Vhodné pro použití v suchém prostředí a ve strukturálních systémech podlah.

Základní vybavení:

  • Výměník s odvzdušňovacím ventilem.
  • Montážní lišty, návod k instalaci a krycí deska pro snadnou montáž.
  • Přepravní obal pro ochranu proti poškození.

Výhody:

  • Elegantní a funkční řešení pro moderní i komerční prostory.
  • Snadná instalace a přizpůsobení výšky i šířky dle projektových požadavků.
  • Vysoká účinnost a kompatibilita s nízkoteplotními systémy.

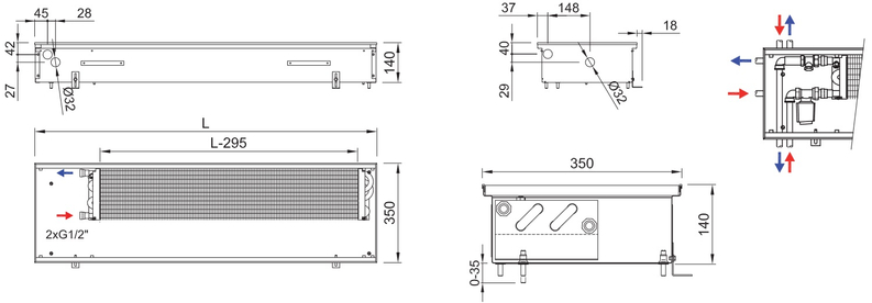
Technické parametry:

  • Tepelný výměník: Al-Cu lamelový, černě lakovaný.
  • Maximální provozní teplota: 110 °C.
  • Maximální provozní přetlak: 1 MPa (10 bar).
  • Vana: Pozinkovaný plech s černým vnitřním nástřikem.
  • Montáž: Samovyrovnávací prvky a montážní příslušenství.
  • Okolní teplota: T = +2 až +40 °C
  • Okolní vlhkost: r.v = 20 až 70 %
  • Mřížka: Natur příčná rolovací hliník
  • Výška: 140 mm
  • Hloubka: 350 mm
  • Šířka: 2500 mm
  • Výkon: 1503 W
Montáž našich konvektorů je rychlá a snadná, což vám ušetří spoustu času a starostí.

Firma Richter + Frenzel klade důraz na kvalitu nabízených produktů a spolehlivost dodávek. Spolupracuje pouze s prověřenými dodavateli a výrobci, aby zákazníkům zajistila maximální spokojenost.

Více o produktu

U Dodavatele

Katalogová cena:
24 071,74 Kč s DPH

Aktuální prodejní cena:
18 053,81 s DPH

14 920,50 Kč bez DPH

KS

Rozdíl mezi katalogovou a prodejní cenou: 25%
Nejnižší prodejní cena za 30 dní: 18 053,81 Kč s DPH

Kód zboží:

818913

Kód dodavatele:

FRK014003502500C11J1L-0

EAN:

Značka:

Isan

Série:

Isan - Termo FRK

Země původu:

Česká republika

Popis produktu

Technické parametry

Barva mřížky

Stříbrná

Příkon

1 503 W

Materiál

Pozinkovaná ocel

Max. provozní tlak

1 bar

Ventilátor

Bez ventilátoru

Materiál mřížky

Hliník

Umístění

Podlaha

Max.teplota (média, okolí)

110 °C

Typ připojení

Boční 2x G1/2˝

Druh konvektoru

Podlahový

Hmotnost

61,25 kg

Hloubka/délka

350 mm

Šířka

2 500 mm

Výška

140 mm

Proč nakupovat na Plano.cz

Spolupracujeme s profesionály

Spolupracujeme s profesionály

Jsme partnerem pro řemeslníky, firmy i domácí kutily. Nabízíme kvalitní a osvědčené produkty pro koupelny, vodu, topení, zahradu a dům.

Máme vše co potřebujete

Vše, co potřebujete na jednom místě

Od vodoinstalačních prvků po radiátory, od zahradních hadic po profesionální nářadí – u nás najdete vše pro dům, byt i zahradu.

Optiline a Plano

Naše vlastní značka = kvalita za férovou cenu

Produkty Optiline, Plano a For zaručují precizní zpracování a výhodnou cenu. Nakupujete přímo od specialistů pro koupelny, vodu a topení.

Doplňkové služby

Odborné služby a individuální přístup

Pomůžeme s výběrem produktů, vyřízením dotací, vytvořením 3D návrhu koupelny a poradíme Vám s každým projektem.

PLANO_Kreslicí plátno 1.svg
OPTILINE_Kreslicí plátno 1.svg