Koupelnové trubkové elektrické těleso Kermi Casteo-E elektrosada FKS vpravo, 1259 x 500 mm, stříbrné

Kermi Casteo-E je čistě elektrický radiátor, který nabízí pohodlné a okamžité vytápění bez nutnosti připojení k tradičnímu topnému systému. Tento radiátor je dodáván s elektrosadou FKS od Kermi, což znamená, že máte kontrolu nad teplotou a provozem radiátoru. Elektrosada FKS umožňuje přesné nastavení teploty a času provozu radiátoru, což vám dává maximální kontrolu nad tepelným komfortem ve vaší místnosti. Kermi Casteo-E je navržen s důrazem na moderní design a čisté linie, které dodávají vaší místnosti elegantní vzhled. Radiátor Casteo-E je k dispozici v několika různých velikostech a provedeních, což umožňuje výběr takové varianty, která nejlépe vyhovuje vašim potřebám a interiéru. Díky použití kvalitních materiálů a spolehlivé konstrukci zajišťuje radiátor Kermi Casteo-E dlouhou životnost a spolehlivý provoz. Instalace radiátoru Kermi Casteo-E s elektrosadou FKS je snadná a bezproblémová, což vám umožňuje rychle začít využívat jeho tepelné výhody. Radiátor Kermi Casteo-E s elektrosadou FKS je spojením moderní technologie, komfortu a elegantního designu, což zajišťuje nejen tepelný komfort, ale také estetickou hodnotu vaší místnosti s precizním ovládáním.

Výhody

  • otopné těleso pro výhradně elektrický provoz
  • snadná montáž upevnění, které zepředu není viditelné
  • Varianta FKS se skládá z elektronicky ovládané otopné tyče vč. regulátoru (krytí IPX4), který se namontuje na radiátor. Délka kabelu otopné tyče: cca 1,2 m. Provedení se zástrčkou pro přímé zapojení do zásuvky.


Funkce regulátoru

  • plynulá regulace teploty
  • funkce Booster (60 minut plné zatížení)
  • funkce ochrany proti zamrznutí
  • ukazatel funkcí (vytápění, vypnuto, Booster)
  • při uvedení do provozu možnost změny "nastavení regulace ručníků
  • rozpoznání otevřeného okna


Rozsah dodávky

  • Montážní sada je přiložena, splňuje třídy požadavků II podle směrnice VDI 6036. Na místě montáže je nutné zkontrolovat dostatečnou nosnost stavebního materiálu stěny. Všechny viditelné části upevněnív barvě otopného tělesa.
  • Naplněno nehořlavou, nejedovatou teplonosnou kapalinou. Odolnost vůči mrazu do cca -15 °C. Elektrická otopná tyč je namontovaná včetně elektronické regulace a ovládacího prvku elektrosada FKS


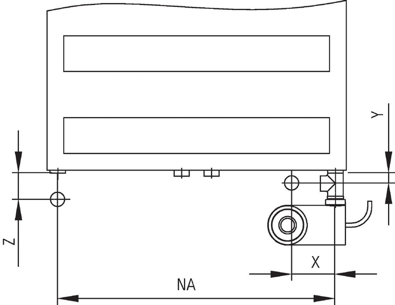
Rozměry

  • Výška: 1259 mm
  • Šířka: 500 mm
  • Hmotnost: 20 kg


Richter + Frenzel je obchod specializující se na prodej koupelnového a toaletního zboží včetně technického zabezpečení budov. Společnost dbá na to, aby byli zákazníci vždy spokojeni a nabízí proto vysoce kvalitní zboží od renomovaných výrobců.

Více o produktu

U Dodavatele

Katalogová cena:
22 893,20 Kč s DPH

Aktuální prodejní cena:
20 603,88 s DPH

17 028,00 Kč bez DPH

KS

Rozdíl mezi katalogovou a prodejní cenou: 10%
Nejnižší prodejní cena za 30 dní: 20 603,88 Kč s DPH

Kód zboží:

752656

Kód dodavatele:

CTE10120050WJXK

EAN:

4037486463162

Značka:

Kermi

Série:

Kermi - Casteo

Země původu:

Česká republika

Popis produktu

Technické parametry

Příkon

600 W

Příkon

W

Typ topného tělesa

Designové

Elektrický ohřev

FKS vpravo

Barva

Stříbrná

Doporučený příkon topné tyče

600 W

Uchycení

Montážní sada

Elektrické napájení

230,0 V / 50 HZ

Materiál

Ocel

Hmotnost

20 kg

Hloubka/délka

30 mm

Šířka

500 mm

Výška

1 259 mm

Proč nakupovat na Plano.cz

Spolupracujeme s profesionály

Spolupracujeme s profesionály

Jsme partnerem pro řemeslníky, firmy i domácí kutily. Nabízíme kvalitní a osvědčené produkty pro koupelny, vodu, topení, zahradu a dům.

Máme vše co potřebujete

Vše, co potřebujete na jednom místě

Od vodoinstalačních prvků po radiátory, od zahradních hadic po profesionální nářadí – u nás najdete vše pro dům, byt i zahradu.

Optiline a Plano

Naše vlastní značka = kvalita za férovou cenu

Produkty Optiline, Plano a For zaručují precizní zpracování a výhodnou cenu. Nakupujete přímo od specialistů pro koupelny, vodu a topení.

Doplňkové služby

Odborné služby a individuální přístup

Pomůžeme s výběrem produktů, vyřízením dotací, vytvořením 3D návrhu koupelny a poradíme Vám s každým projektem.