Plynové topidlo Karma Beta 2 Mechanik, o výkonu 2 kW, s odtahem spalin přes zeď a velmi jednoduchou obsluhou, slonová kost

Plynové topidlo Karma Beta 2 Mechanik je kompaktní nástěnné topidlo o výkonu 2 kW s odtahem spalin přes zeď. Je navrženo pro jednoduchý, bezpečný a zcela nezávislý provoz bez nutnosti připojení k elektrické energii. Díky mechanickému termostatu udržuje automaticky nastavenou teplotu v místnosti a je vhodné zejména pro menší obytné i rekreační prostory.


Hlavní výhody:

  • Jednoduchá mechanická regulace bez elektroniky
  • Automatické udržování nastavené teploty
  • Nezávislé na elektrické energii
  • Vysoká účinnost a nízká spotřeba plynu
  • Bezpečný provoz s plynovou pojistkou plamene
  • Odolnost proti mrazu

Použití:

  • Vytápění místností do objemu cca 40 m3
  • Byty, chaty, chalupy, kanceláře nebo dílny
  • Prostory bez možnosti elektrického připojení

Bezpečnost a konstrukce:

  • Plynotěsná spalovací komora z ocelového plechu
  • Oboustranně smaltované stěny spalovací komory
  • Nerezový plynový hořák
  • Automatické uzavření plynu při zhasnutí plamene
  • Spalovací okruh oddělený od vzduchu v místnosti

Charakteristika:

  • Nástěnná montáž
  • Odvod spalin přímo přes venkovní zeď
  • Nasávání spalovacího vzduchu z venkovního prostoru
  • Mechanický termostat a piezoelektrické zapalování
  • Standardní provedení ve barvě slonová kost s černou mříží

Technické parametry:

  • Jmenovitý tepelný výkon: 2,0 kW
  • Jmenovitý tepelný příkon: 2,3 kW
  • Účinnost: 87 %
  • Spotřeba zemní plyn: 0,24 m3/h
  • Spotřeba propan-butan: 0,18 kg/h
  • Vhodné pro místnosti: do 40 m3
  • Rozsah regulace teploty: 13 až 38 °C
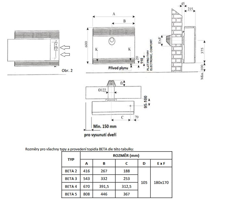
  • Průměr odtahu přes zeď: 122 mm
  • Max. tloušťka zdi: 820 mm
  • Připojení plynu: G 1/2˝ (vpravo dole)
  • Rozměry (Š x H x V): 416 x 215 x 600 mm
  • Hmotnost: 15 kg
  • Palivo: zemní plyn (možnost přestavby na PB)
  • Elektrické připojení: nevyžaduje
  • Záruka: 24 měsíců


Plynové topidlo Karma Beta 2 Mechanik je spolehlivé, úsporné a bezpečné řešení vytápění menších prostor, ideální všude tam, kde je požadován jednoduchý provoz bez závislosti na elektřině.

Mobilní plynové topidlo umožňuje flexibilní použití v různých typech prostor. Díky snadné obsluze je vhodné pro domácnosti, garáže, chaty i pracovní prostory.

Spolehlivé vytápění od odborníků na Richter + Frenzel. Naše špičkové kotle zajistí nejen teplo, ale také úsporu energie.

Více o produktu

Skladem

Katalogová cena:
15 331,91 Kč s DPH

Aktuální prodejní cena:
14 412,00 s DPH

11 910,74 Kč bez DPH

KS

Rozdíl mezi katalogovou a prodejní cenou: 6%
Nejnižší prodejní cena za 30 dní: 13 992,29 Kč s DPH

Kód zboží:

135690

Kód dodavatele:

1002BMECZ

EAN:

8591219001008

Značka:

Karma

Série:

Karma - Beta

Země původu:

Česká republika

Popis produktu

Technické parametry

Vytápěný prostor

40 m3

Elektrické napájení

N/A

Průměrná spotřeba ZP

0,24 m3/h

Energetická třída

C

Barva

Slonová kost (Ivory)

Přípojka plynu

G 1/2"

Stupeň krytí

Bez krytí

Příkon

2,3 kW

Přípojka odvodu spalin

122 mm

Energetická účinnost

87 %

Hmotnost

16,5 kg

Hloubka/délka

215 mm

Šířka

416 mm

Výška

600 mm

Proč nakupovat na Plano.cz

Spolupracujeme s profesionály

Spolupracujeme s profesionály

Jsme partnerem pro řemeslníky, firmy i domácí kutily. Nabízíme kvalitní a osvědčené produkty pro koupelny, vodu, topení, zahradu a dům.

Máme vše co potřebujete

Vše, co potřebujete na jednom místě

Od vodoinstalačních prvků po radiátory, od zahradních hadic po profesionální nářadí – u nás najdete vše pro dům, byt i zahradu.

Optiline a Plano

Naše vlastní značka = kvalita za férovou cenu

Produkty Optiline, Plano a For zaručují precizní zpracování a výhodnou cenu. Nakupujete přímo od specialistů pro koupelny, vodu a topení.

Doplňkové služby

Odborné služby a individuální přístup

Pomůžeme s výběrem produktů, vyřízením dotací, vytvořením 3D návrhu koupelny a poradíme Vám s každým projektem.

Výhradní distributor sanitárních produktů Kermi v ČR.