Plynové topidlo Karma Beta 3 Mechanik, o výkonu 3 kW, s odtahem spalin přes zeď a velmi jednoduchou obsluhou, slonová kost

Plynové topidlo Karma Beta 3 Mechanik je nástěnné topidlo o výkonu 3 kW s odtahem spalin přímo přes obvodovou zeď. Nabízí velmi jednoduchou obsluhu, plně mechanickou regulaci a bezpečný provoz bez nutnosti elektrického připojení. Díky vyššímu výkonu je vhodné pro vytápění větších místností, rekreačních objektů i menších provozoven.


Hlavní výhody:

  • Vyšší výkon 3 kW pro větší vytápěné prostory
  • Mechanická regulace teploty bez elektroniky
  • Automatické udržování nastavené teploty
  • Nezávislost na elektrické energii
  • Vysoká účinnost a úsporný provoz
  • Bezpečný provoz s plynovou pojistkou plamene
  • Odolnost proti mrazu

Použití:

  • Vytápění místností do objemu cca 60 m3
  • Byty, chaty, chalupy, kanceláře, dílny
  • Objekty bez možnosti elektrického připojení

Bezpečnost a konstrukce:

  • Plynotěsná spalovací komora z ocelového plechu
  • Oboustranně smaltované stěny spalovací komory
  • Nerezový plynový hořák
  • Automatické uzavření přívodu plynu při zhasnutí plamene
  • Spalovací okruh plynotěsně oddělen od vzduchu v místnosti

Charakteristika:

  • Nástěnná montáž
  • Odvod spalin přímo přes venkovní zeď
  • Nasávání spalovacího vzduchu z venkovního prostoru
  • Mechanický termostat a piezoelektrické zapalování
  • Standardní provedení ve barvě slonová kost s černou mříží

Technické parametry:

  • Jmenovitý tepelný výkon: 3,0 kW
  • Jmenovitý tepelný příkon: 3,5 kW
  • Účinnost: 87 %
  • Spotřeba zemní plyn: 0,37 m3/h
  • Spotřeba propan-butan: 0,24 kg/h
  • Vhodné pro místnosti: do 60 m3
  • Rozsah regulace teploty: 13 až 38 °C
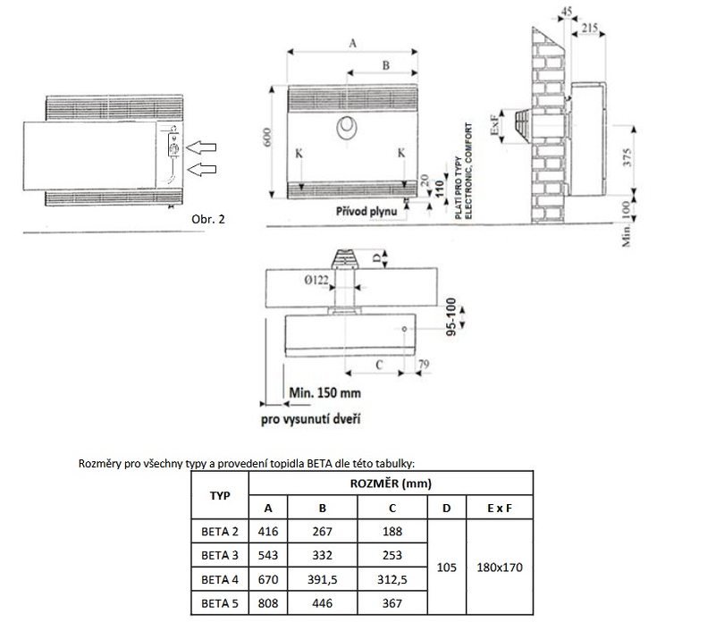
  • Průměr odtahu přes zeď: 122 mm
  • Střed odtahu od levého okraje: 211 mm
  • Max. tloušťka zdi: 820 mm
  • Připojení plynu: G 1/2˝ (vpravo dole)
  • Rozměry (Š x H x V): 543 x 215 x 600 mm
  • Hmotnost: 19 kg
  • Palivo: zemní plyn (možnost přestavby na PB)
  • Elektrické připojení: nevyžaduje
  • Záruka: 24 měsíců


Plynové topidlo Karma Beta 3 Mechanik je ideální volbou pro uživatele, kteří hledají výkonnější, spolehlivé a bezpečné plynové vytápění bez závislosti na elektřině, s minimální obsluhou a dlouhou životností.

Plynové topidlo navržené pro komfortní, tiché a plynulé vytápění. Nabízí jednoduchou regulaci výkonu a moderní bezpečnostní technologie.

Progresivní vytápění s Richter + Frenzel. Naše nabídka rozvodů vody a topení je navržena s ohledem na budoucnost.

Více o produktu

Skladem

Katalogová cena:
15 642,88 Kč s DPH

Aktuální prodejní cena:
14 704,31 s DPH

12 152,32 Kč bez DPH

KS

Rozdíl mezi katalogovou a prodejní cenou: 6%
Nejnižší prodejní cena za 30 dní: 14 275,51 Kč s DPH

Kód zboží:

135691

Kód dodavatele:

1003BMECZ

EAN:

8591219001206

Značka:

Karma

Série:

Karma - Beta

Země původu:

Česká republika

Popis produktu

Technické parametry

Příkon

3,5 kW

Stupeň krytí

Bez krytí

Energetická třída

C

Energetická účinnost

87 %

Vytápěný prostor

60 m3

Průměrná spotřeba ZP

0,37 m3/h

Přípojka plynu

G 1/2"

Elektrické napájení

N/A

Přípojka odvodu spalin

122 mm

Barva

Slonová kost (Ivory)

Hmotnost

20,9 kg

Hloubka/délka

215 mm

Šířka

543 mm

Výška

600 mm

Proč nakupovat na Plano.cz

Spolupracujeme s profesionály

Spolupracujeme s profesionály

Jsme partnerem pro řemeslníky, firmy i domácí kutily. Nabízíme kvalitní a osvědčené produkty pro koupelny, vodu, topení, zahradu a dům.

Máme vše co potřebujete

Vše, co potřebujete na jednom místě

Od vodoinstalačních prvků po radiátory, od zahradních hadic po profesionální nářadí – u nás najdete vše pro dům, byt i zahradu.

Optiline a Plano

Naše vlastní značka = kvalita za férovou cenu

Produkty Optiline, Plano a For zaručují precizní zpracování a výhodnou cenu. Nakupujete přímo od specialistů pro koupelny, vodu a topení.

Doplňkové služby

Odborné služby a individuální přístup

Pomůžeme s výběrem produktů, vyřízením dotací, vytvořením 3D návrhu koupelny a poradíme Vám s každým projektem.

Výhradní distributor sanitárních produktů Kermi v ČR.