Plynové topidlo Karma Beta 3C 02 Comfort, o výkonu 3 kW, s odtahem spalin přes zeď, bez vlastních spínacích hodin, antracit(sklo černé)

Plynové topidlo Karma Beta 3C 02 Comfort je podokenní plynové topidlo s elektronickou regulací, určené pro komfortní, úsporné a bezpečné vytápění středně velkých obytných prostor. Moderní antracitové provedení s tmavým tónovaným sklem a imitací uhlí vytváří realistický vizuální efekt hořícího ohně.


Hlavní výhody:

  • Elektronická regulace s úsporou plynu až 25 % oproti verzi Mechanic
  • Nulová spotřeba plynu v pohotovostním režimu (bez věčného plamínku)
  • Prosklený čelní panel s viditelným ohništěm
  • Vysoká provozní bezpečnost s automatickou kontrolou plamene

Použití:

  • Pro vytápění místností do objemu 60 m3
  • Vhodné pro byty, rodinné domy i rekreační objekty
  • Určeno pro připojení na pokojový termostat (bez vlastních spínacích hodin)

Charakteristika:

  • Podokenní plynové topidlo s odtahem spalin přes obvodovou zeď
  • Elektronický řídicí systém zapalování a regulace výkonu
  • Bez integrovaných spínacích hodin
  • Plynotěsná spalovací komora oddělená od prostředí místnosti

Technické parametry:

  • Jmenovitý tepelný výkon: 3,0 kW
  • Vhodné pro místnosti: do 60 m3
  • Regulace teploty: elektronická 0–40 °C
  • Účinnost: 87 %
  • Připojení "plynu: G 1/2""
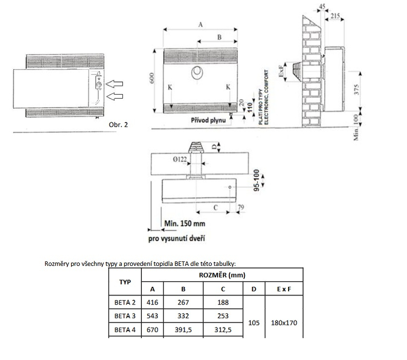
  • Průměr odtahu: 122" mm
  • Rozměry (š x h x v): 543 x 215 x 600 mm
  • Hmotnost: 19 kg
  • Barva: antracit (černé sklo)


Plynové topidlo Karma Beta 3C 02 Comfort je ideální volbou pro uživatele, kteří chtějí elektronicky řízený provoz, nízkou spotřebu plynu a možnost centrální regulace pomocí pokojového termostatu, při zachování moderního designu a vysoké účinnosti.

Univerzální plynové topidlo s moderním designem a bezpečnostními prvky, jako je pojistka plamene či ochrana proti převrácení. Ideální pro komfortní a bezpečné vytápění.

Richter + Frenzel - vaši spolehliví partneři vytápění. Nabízíme systémy pro rozvody vody a topení pro každý domov.

Více o produktu

U Dodavatele

Katalogová cena:
28 243,70 Kč s DPH

Aktuální prodejní cena:
26 550,01 s DPH

21 942,16 Kč bez DPH

KS

Rozdíl mezi katalogovou a prodejní cenou: 6%
Nejnižší prodejní cena za 30 dní: 25 777,72 Kč s DPH

Kód zboží:

135706

Kód dodavatele:

3003BC2CZ/19

EAN:

8591219004801

Značka:

Karma

Série:

Karma - Beta

Země původu:

Česká republika

Popis produktu

Technické parametry

Průměrná spotřeba ZP

0,37 m3/h

Příkon

3,5 kW

Vytápěný prostor

60 m3

Přípojka odvodu spalin

122 mm

Energetická účinnost

87 %

Stupeň krytí

IP20

Elektrické napájení

230 V

Barva

Antracit

Energetická třída

B

Přípojka plynu

G 1/2"

Hmotnost

20,9 kg

Hloubka/délka

215 mm

Šířka

543 mm

Výška

600 mm

Proč nakupovat na Plano.cz

Spolupracujeme s profesionály

Spolupracujeme s profesionály

Jsme partnerem pro řemeslníky, firmy i domácí kutily. Nabízíme kvalitní a osvědčené produkty pro koupelny, vodu, topení, zahradu a dům.

Máme vše co potřebujete

Vše, co potřebujete na jednom místě

Od vodoinstalačních prvků po radiátory, od zahradních hadic po profesionální nářadí – u nás najdete vše pro dům, byt i zahradu.

Optiline a Plano

Naše vlastní značka = kvalita za férovou cenu

Produkty Optiline, Plano a For zaručují precizní zpracování a výhodnou cenu. Nakupujete přímo od specialistů pro koupelny, vodu a topení.

Doplňkové služby

Odborné služby a individuální přístup

Pomůžeme s výběrem produktů, vyřízením dotací, vytvořením 3D návrhu koupelny a poradíme Vám s každým projektem.

Výhradní distributor sanitárních produktů Kermi v ČR.