Plynové topidlo Karma Beta 3E 02 Electronic, o výkonu 3 kW, s odtahem spalin přes zeď a velmi jednoduchou obsluhou, s elektronickým řídícím systémem, bez spínacích hodin, slonová kost

Plynové topidlo Karma Beta 3E 02 Electronic je nástěnné plynové topidlo s elektronickým řídicím systémem, určené pro komfortní a úsporné vytápění obytných prostor bez potřeby vestavěných spínacích hodin. Díky moderní elektronické regulaci nabízí stabilní provoz, vysokou bezpečnost a nulovou spotřebu plynu v pohotovostním režimu.


Hlavní výhody:

  • Elektronický řídicí systém s úsporou plynu až 25 % oproti verzi Mechanic
  • Nulová spotřeba plynu v pohotovostním režimu (bez věčného plamínku)
  • Možnost připojení na externí pokojový termostat
  • Automatické udržování nastavené teploty

Použití:

  • Pro vytápění místností do objemu 60 m3
  • Vhodné pro byty, rodinné domy, chaty a rekreační objekty
  • Instalace s odtahem spalin přes obvodovou zeď

Charakteristika:

  • Nástěnné plynové topidlo s elektronickou regulací výkonu
  • Provedení bez vlastních spínacích hodin
  • Plynotěsná spalovací komora oddělená od prostoru místnosti
  • Odolnost proti mrazu

Technické parametry:

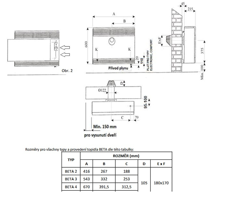
  • Jmenovitý tepelný výkon: 3,0 kW
  • Vhodné pro místnosti: do 60 m3
  • Regulace teploty: elektronická 0–40 °C
  • Účinnost: 87 %
  • Připojení "plynu: G 1/2""
  • Průměr odtahu: 122" mm
  • Max. tloušťka zdi: 820 mm
  • Barva: slonová kost (černá mřížka)


Plynové topidlo Karma Beta 3E 02 Electronic je vhodnou volbou pro uživatele, kteří požadují elektronickou regulaci, možnost napojení na pokojový termostat a úsporný provoz bez časového programování přímo v topidle.

Úsporné plynové topidlo s vysokou energetickou účinností a rychlým náběhem teploty. Poskytuje stabilní a rovnoměrné rozložení tepla po celé místnosti.

Pro spolehlivé a účinné vytápění je Richter + Frenzel vaším ideálním partnerem. Naše široké portfolio produktů zahrnuje kompletní sortiment pro rozvody vody a topení, koupelny, toalety a další prostory ve vašem domě či komerčních budov.

Více o produktu

Skladem

Katalogová cena:
22 609,94 Kč s DPH

Aktuální prodejní cena:
21 254,28 s DPH

17 565,52 Kč bez DPH

KS

Rozdíl mezi katalogovou a prodejní cenou: 6%
Nejnižší prodejní cena za 30 dní: 21 254,00 Kč s DPH

Kód zboží:

135699

Kód dodavatele:

3003BE2CZ/19

EAN:

8591219002609

Značka:

Karma

Série:

Karma - Beta

Země původu:

Česká republika

Popis produktu

Technické parametry

Průměrná spotřeba ZP

0,37 m3/h

Stupeň krytí

IP20

Barva

Slonová kost (Ivory)

Vytápěný prostor

60 m3

Přípojka plynu

G 1/2"

Přípojka odvodu spalin

122 mm

Energetická třída

B

Elektrické napájení

230 V

Energetická účinnost

87 %

Příkon

3,5 kW

Hmotnost

20,9 kg

Hloubka/délka

215 mm

Šířka

543 mm

Výška

600 mm

Proč nakupovat na Plano.cz

Spolupracujeme s profesionály

Spolupracujeme s profesionály

Jsme partnerem pro řemeslníky, firmy i domácí kutily. Nabízíme kvalitní a osvědčené produkty pro koupelny, vodu, topení, zahradu a dům.

Máme vše co potřebujete

Vše, co potřebujete na jednom místě

Od vodoinstalačních prvků po radiátory, od zahradních hadic po profesionální nářadí – u nás najdete vše pro dům, byt i zahradu.

Optiline a Plano

Naše vlastní značka = kvalita za férovou cenu

Produkty Optiline, Plano a For zaručují precizní zpracování a výhodnou cenu. Nakupujete přímo od specialistů pro koupelny, vodu a topení.

Doplňkové služby

Odborné služby a individuální přístup

Pomůžeme s výběrem produktů, vyřízením dotací, vytvořením 3D návrhu koupelny a poradíme Vám s každým projektem.