Plynové topidlo Karma Beta 5 Mechanik, o výkonu 4,7 kW, s odtahem spalin přes zeď a velmi jednoduchou obsluhou, slonová kost

Plynové topidlo Karma Beta 5 Mechanik je nejvýkonnější model z řady Beta Mechanik, určený pro vytápění velkých místností a objektů bez nutnosti elektrického připojení. Díky výkonu 4,7 kW zvládne spolehlivě vytopit prostory až do objemu 100 m3. Mechanická regulace, jednoduchá obsluha a odtah spalin přímo přes obvodovou zeď z něj činí ideální řešení pro domy, chalupy, dílny i provozní objekty.


Hlavní výhody:

  • Vysoký výkon 4,7 kW pro velké místnosti
  • Plně mechanické ovládání bez elektroniky
  • Automatické udržování nastavené teploty
  • Provoz bez nutnosti elektrické energie
  • Bezpečný a stabilní chod s pojistkou plamene
  • Nezámrzná konstrukce vhodná i pro rekreační objekty

Použití:

  • Vytápění místností do objemu cca 100 m3
  • Rodinné domy, chalupy, chaty
  • Dílny, provozní prostory, kanceláře
  • Objekty bez přívodu elektrické energie

Bezpečnost a konstrukce:

  • Plynotěsná spalovací komora z ocelového plechu
  • Oboustranně smaltované stěny spalovací komory
  • Nerezový plynový hořák
  • Automatické uzavření plynu při zhasnutí plamene
  • Spalovací okruh oddělený od vzduchu v místnosti

Charakteristika:

  • Nástěnné provedení
  • Odvod spalin přímo přes venkovní zeď
  • Nasávání spalovacího vzduchu z venkovního prostoru
  • Mechanický termostat a piezoelektrické zapalování
  • Standardní barva slonová kost s černou mříží

Technické parametry:

  • Jmenovitý tepelný výkon: 4,7 kW
  • Jmenovitý tepelný příkon: 5,6 kW
  • Účinnost: 76,7 %
  • Spotřeba zemní plyn: 0,59 m3/h
  • Spotřeba propan-butan: 0,38 kg/h
  • Vhodné pro místnosti: do 100 m3
  • Rozsah regulace teploty: 13 až 38 °C
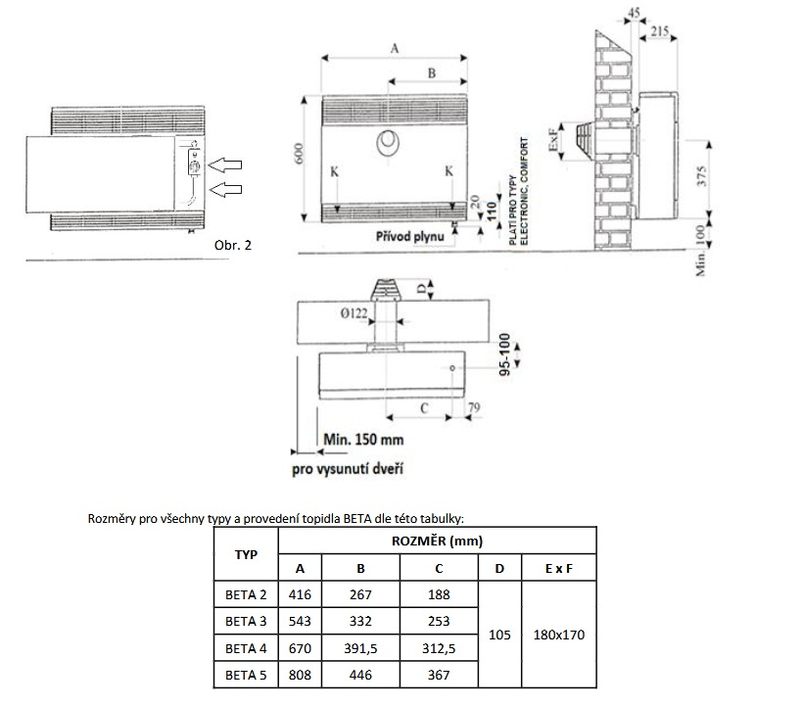
  • Průměr odtahu přes zeď: 122 mm
  • Střed odtahu od levého okraje: 363 mm
  • Max. tloušťka zdi: 820 mm
  • Připojení plynu: G 1/2˝ (vpravo dole)
  • Rozměry (Š x H x V): 808 x 215 x 600 mm
  • Hmotnost: 30 kg
  • Palivo: zemní plyn (možnost přestavby na PB)
  • Elektrické připojení: nevyžaduje
  • Záruka: 24 měsíců


Plynové topidlo Karma Beta 5 Mechanik je ideální volbou pro uživatele, kteří potřebují vysoký topný výkon, maximální spolehlivost a jednoduchý provoz bez závislosti na elektrické energii. Robustní konstrukce, bezpečnostní prvky a snadná obsluha zaručují dlouhodobý a bezproblémový provoz.

Praktické a výkonné plynové topidlo vhodné pro celoroční využití. Nabízí jednoduché zapojení, okamžitý výkon a bezpečný provoz bez složité údržby.

Specialisté na vytápění - Richter + Frenzel. Naše produkty pro rozvody vody a topení spojují efektivitu a design.

Více o produktu

Skladem

Katalogová cena:
17 659,95 Kč s DPH

Aktuální prodejní cena:
16 600,35 s DPH

13 719,30 Kč bez DPH

KS

Rozdíl mezi katalogovou a prodejní cenou: 6%
Nejnižší prodejní cena za 30 dní: 16 116,96 Kč s DPH

Kód zboží:

135693

Kód dodavatele:

1005BMECZ

EAN:

8591219001602

Značka:

Karma

Série:

Karma - Beta

Země původu:

Česká republika

Popis produktu

Technické parametry

Průměrná spotřeba ZP

0,59 m3/h

Elektrické napájení

N/A

Přípojka odvodu spalin

122 mm

Stupeň krytí

Bez krytí

Energetická třída

C

Vytápěný prostor

100 m3

Přípojka plynu

G 1/2"

Energetická účinnost

76,7 %

Příkon

5,6 kW

Barva

Slonová kost (Ivory)

Hmotnost

33 kg

Hloubka/délka

215 mm

Šířka

808 mm

Výška

600 mm

Proč nakupovat na Plano.cz

Spolupracujeme s profesionály

Spolupracujeme s profesionály

Jsme partnerem pro řemeslníky, firmy i domácí kutily. Nabízíme kvalitní a osvědčené produkty pro koupelny, vodu, topení, zahradu a dům.

Máme vše co potřebujete

Vše, co potřebujete na jednom místě

Od vodoinstalačních prvků po radiátory, od zahradních hadic po profesionální nářadí – u nás najdete vše pro dům, byt i zahradu.

Optiline a Plano

Naše vlastní značka = kvalita za férovou cenu

Produkty Optiline, Plano a For zaručují precizní zpracování a výhodnou cenu. Nakupujete přímo od specialistů pro koupelny, vodu a topení.

Doplňkové služby

Odborné služby a individuální přístup

Pomůžeme s výběrem produktů, vyřízením dotací, vytvořením 3D návrhu koupelny a poradíme Vám s každým projektem.

Výhradní distributor sanitárních produktů Kermi v ČR.