Plynové topidlo Karma Gamat 471, o výkonu 4,6 kW, s odtahem spalin přes zeď (trubky nad sebou), mechanická regulace teploty – termostat a piezozapalovač, slonová kost

Plynové topidlo Karma Gamat 471 je nástěnné plynové topidlo o výkonu 4,6 kW s odtahem spalin přes zeď, určené pro spolehlivé a bezpečné vytápění bytů, rodinných domů, chat a rekreačních objektů. Díky mechanické regulaci teploty pomocí termostatu a piezoelektrickému zapalování nabízí jednoduchý a plně nezávislý provoz bez nutnosti připojení k elektrické energii. Topidlo je vhodné pro místnosti o objemu až 100 m3, odolává teplotám pod bodem mrazu a vyniká vysokou účinností i dlouhou životností.


Hlavní výhody:

  • Mechanická regulace teploty pomocí termostatu
  • Provoz bez nutnosti elektrického připojení
  • Vysoká účinnost a úsporný provoz
  • Plynotěsná spalovací komora pro maximální bezpečnost
  • Odolnost proti mrazu, vhodné i pro rekreační objekty
  • Možnost přestavby na propan-butan

Použití:

  • Vytápění místností do objemu až 100 m3
  • Rodinné domy, byty, chaty a chalupy
  • Prostory bez dostupné elektrické energie
  • Náhrada starších typů GAMAT 461

Bezpečnost a konstrukce:

  • Plynotěsná spalovací komora z ocelového plechu
  • Oboustranně smaltované stěny spalovací komory
  • Nerezový plynový hořák
  • Spalovací okruh oddělený od vzduchu v místnosti
  • Nasávání spalovacího vzduchu z venkovního prostoru

Charakteristika:

  • Nástěnná montáž zavěšením na zeď
  • Odvod spalin a nasávání vzduchu systémem dvou trubek nad sebou přes venkovní zeď
  • Piezoelektrické zapalování s věčným plamínkem
  • Mechanický termostat s rozsahem regulace 13 až 38 °C
  • Standardní provedení v barvě slonová kost

Technické parametry:

  • Jmenovitý tepelný výkon: 4,6 kW
  • Jmenovitý tepelný příkon: 5,5 kW
  • Účinnost: 85 %
  • Spotřeba zemní plyn: 0,58 m3/h
  • Spotřeba propan-butan: 0,44 kg/h
  • Vhodné pro místnosti: do 100 m3
  • Rozsah regulace teploty: 13 až 38 °C
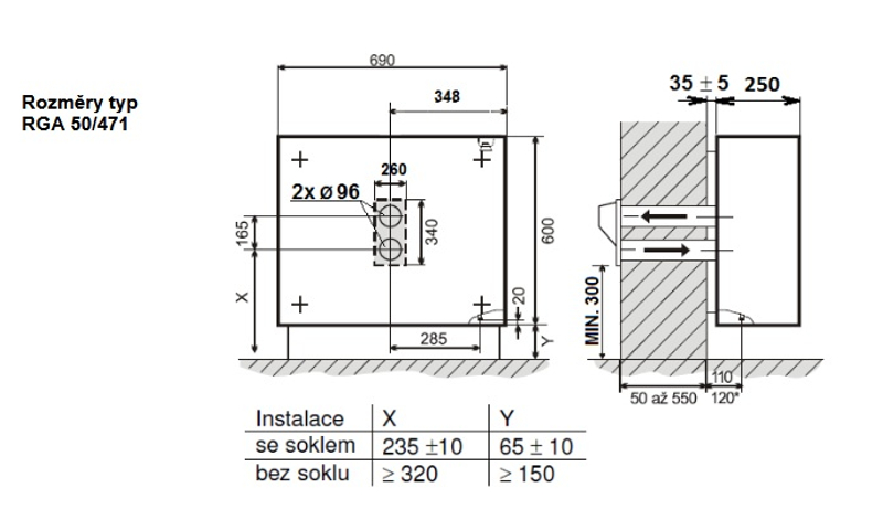
  • Průměr odtahu přes zeď: 2 x 96 mm
  • Max. tloušťka zdi: 600 mm
  • Připojení plynu: G 1/2˝ (vpravo dole)
  • Rozměry (Š x H x V): 696 x 290 x 600 mm
  • Hmotnost: 29 kg
  • Palivo: zemní plyn (možnost přestavby na PB)
  • Elektrické připojení: nevyžaduje
  • Záruka: 24 měsíců


Plynové topidlo Karma Gamat 471 je spolehlivé, úsporné a bezpečné řešení vytápění větších obytných a rekreačních prostor, ideální všude tam, kde je kladen důraz na jednoduchý provoz, nezávislost na elektřině a dlouhou životnost.

Plynové topidlo navržené pro komfortní, tiché a plynulé vytápění. Nabízí jednoduchou regulaci výkonu a moderní bezpečnostní technologie.

Richter + Frenzel - profesionálové na vytápění. Naše systémy pro rozvody vody a topení jsou koncipovány s ohledem na energetickou účinnost.

Více o produktu

Skladem

Katalogová cena:
20 110,20 Kč s DPH

Aktuální prodejní cena:
18 903,59 s DPH

15 622,80 Kč bez DPH

KS

Rozdíl mezi katalogovou a prodejní cenou: 6%
Nejnižší prodejní cena za 30 dní: 18 903,59 Kč s DPH

Kód zboží:

135709

Kód dodavatele:

CZGAMAT471

EAN:

8591219050013

Značka:

Karma

Série:

Karma - Gamat

Země původu:

Česká republika

Popis produktu

Technické parametry

Průměrná spotřeba ZP

0,58 m3/h

Energetická účinnost

85 %

Stupeň krytí

Bez krytí

Příkon

5,5 kW

Přípojka odvodu spalin

96 mm

Přípojka plynu

G 1/2"

Vytápěný prostor

100 m3

Barva

Slonová kost (Ivory)

Elektrické napájení

N/A

Energetická třída

D

Hmotnost

31,9 kg

Hloubka/délka

290 mm

Šířka

696 mm

Výška

600 mm

Proč nakupovat na Plano.cz

Spolupracujeme s profesionály

Spolupracujeme s profesionály

Jsme partnerem pro řemeslníky, firmy i domácí kutily. Nabízíme kvalitní a osvědčené produkty pro koupelny, vodu, topení, zahradu a dům.

Máme vše co potřebujete

Vše, co potřebujete na jednom místě

Od vodoinstalačních prvků po radiátory, od zahradních hadic po profesionální nářadí – u nás najdete vše pro dům, byt i zahradu.

Optiline a Plano

Naše vlastní značka = kvalita za férovou cenu

Produkty Optiline, Plano a For zaručují precizní zpracování a výhodnou cenu. Nakupujete přímo od specialistů pro koupelny, vodu a topení.

Doplňkové služby

Odborné služby a individuální přístup

Pomůžeme s výběrem produktů, vyřízením dotací, vytvořením 3D návrhu koupelny a poradíme Vám s každým projektem.

Vážení zákazníci, během velikonočních svátků neexpedujeme zboží. Děkujeme za pochopení a přejeme veselé Velikonoce.