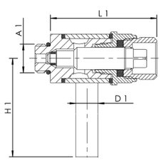
Ventil pro odběr vzorků z červeného bronzu Kemper, DN 15-50

Ventil pro odběr vzorků z červeného bronzu je armatura určená pro spolehlivý provoz technických rozvodů vody.

Hlavní výhody:

  • K odběru vzorků pitné vody
  • Stanovení mikrobiologických parametrů podle TrinkwV
  • konstrukce bez kontaktu média s mosazí je vhodná i pro náročnější provozní podmínky
  • Otočné odtokové koleno z nerezu s možností opálení
  • Trojhranný ovládací klíč proti neoprávněnému odběru vody
  • Tělo ventilu je otočné o 360°
  • PTFE - těsnění sedla


Technické informace:

  • Série: Ventily k odběru vzorků
  • Objednací číslo: 1870000600
  • DN: 8
  • Tlakový stupeň: PN 16
  • Max. provozní teplota: 90 °C


Náhradní díly:



Normy a schválení:

  • DVGW
  • hodnoticích kritérií Spolkového úřadu pro životní prostředí pro materiály
  • které jsou v kontaktu s pitnou vodou (UBA KTW BWGL)
  • hodnoticích kritérií Spolkového úřadu pro životní prostředí pro kovy (UBA BWGL Metalle)


Doporučujeme:

Pokud hledáte Ventil pro odběr vzorků z červeného bronzu pro spolehlivý provoz technických rozvodů vody, tato varianta nabídne parametry a konstrukční prvky, které usnadní montáž, servis i dlouhodobý provoz.

Ventily pomáhají řídit průtok a bezpečně uzavřít větev rozvodu při servisu nebo změně provozních podmínek. Správné provedení a dimenze zvyšují bezpečnost provozu a snižují riziko problémů v navazujících částech systému.

Richter + Frenzel - vaše spolehlivé řešení vytápění. Naše produkty pro rozvody vody a topení splňují nejvyšší standardy kvality.

Více o produktu

U Dodavatele

Katalogová cena:
6 400,90 Kč s DPH

Aktuální prodejní cena:
5 760,81 s DPH

4 761,00 Kč bez DPH

KS

Rozdíl mezi katalogovou a prodejní cenou: 10%
Nejnižší prodejní cena za 30 dní: 5 760,81 Kč s DPH

Kód zboží:

844753

Kód dodavatele:

1870000600

EAN:

Značka:

Kemper

Kategorie:

Série:

Kemper - Ventily k odběru vzorků

Země původu:

Německo

Popis produktu

Technické parametry

Materiál

Nerezová ocel

Max.teplota (média, okolí)

90 °C

Velikost připojení

G 1/4"

Balení

1 KS

Jmenovitá světlost

DN 8

Max. provozní tlak

1,6 MPa

Přepravované médium

Pitná voda

Závit

1/4"

Max. provozní tlak

16 bar

Hmotnost

0,23 kg

Proč nakupovat na Plano.cz

Spolupracujeme s profesionály

Spolupracujeme s profesionály

Jsme partnerem pro řemeslníky, firmy i domácí kutily. Nabízíme kvalitní a osvědčené produkty pro koupelny, vodu, topení, zahradu a dům.

Máme vše co potřebujete

Vše, co potřebujete na jednom místě

Od vodoinstalačních prvků po radiátory, od zahradních hadic po profesionální nářadí – u nás najdete vše pro dům, byt i zahradu.

Optiline a Plano

Naše vlastní značka = kvalita za férovou cenu

Produkty Optiline, Plano a For zaručují precizní zpracování a výhodnou cenu. Nakupujete přímo od specialistů pro koupelny, vodu a topení.

Doplňkové služby

Odborné služby a individuální přístup

Pomůžeme s výběrem produktů, vyřízením dotací, vytvořením 3D návrhu koupelny a poradíme Vám s každým projektem.

Vážení zákazníci, během velikonočních svátků neexpedujeme zboží. Děkujeme za pochopení a přejeme veselé Velikonoce.