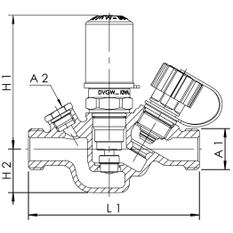
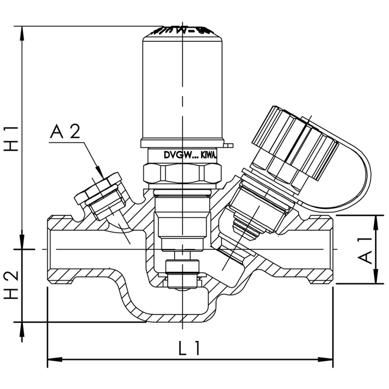
Automatický cirkulační regulační ventil Kemper MULTI-THERM, 50 – 65 °C, vnější závit, DN 15, vnější závit AG

Automatický cirkulační regulační ventil MULTI-THERM je armatura určená pro spolehlivý provoz technických rozvodů vody.

Hlavní výhody:

  • Automatický regulační ventil pro hydraulické vyvážení stoupacích a poschoďových rozvodných potrubí
  • Automatický cirkulační regulační ventil
  • K hydraulickému vyvážení cirkulačních větvi
  • S automatickým nastavením termické dezinfekce
  • konstrukce bez kontaktu média s mosazí je vhodná i pro náročnější provozní podmínky
  • Možnost doplnění o teploměr nebo teplotní čidlo
  • PTFE - těsnění sedla


Technické informace:

  • Série: Automatické regulační ventily MULTI-THERM
  • Objednací číslo: 1410G01500
  • DN: 15
  • Tlakový stupeň: PN 16
  • Max. provozní teplota: 90 °C


Příslušenství:

  • Trubkové šroubení z červeného bronzu Figur 476 04
  • Teplotní čidlo PT 1000 Figur T5100 140 00
  • Vypouštěcí ventil Bronz/Plast Figur J7109 173 00
  • Ventil pro odběr vzorků z červeného bronzu Figur 187 00
  • Izolační pouzdro pro MULTI-THERM ventil Figur 471 11
  • Teploměr Figur T5100 150 00
  • Šroubení s vnitřním závitem z červeného bronzu Figur 476 06
  • Šroubení s vnitřním závitem z červeného bronzu, s vypouštěním Figur 476 07
  • Šroubení s vnějším závitem z červeného bronzu Figur 476 08
  • Univerzální šroubení k pájení a nalisování Figur 476 14


Náhradní díly:

  • Absperroberteil für MULTI-THERM automatisches Zirkulations-Regulierventil Figur E0109 140 00 003
  • Regulieroberteil 50-65 °C für MULTI-THERM automatisches Zirkulations-Regulierventil Figur E0109 141 00
  • Kappe für Absperreinheit MULTI-THERM automatisches Zirkulations-Regulierventil Figur Z0100 140 00 001


Normy a schválení:

  • DVGW
  • ÖVGW
  • SVGW
  • WRAS
  • KIWA
  • hodnoticích kritérií Spolkového úřadu pro životní prostředí pro materiály
  • které jsou v kontaktu s pitnou vodou (UBA KTW BWGL)


Doporučujeme:

Pokud hledáte Automatický cirkulační regulační ventil MULTI-THERM pro spolehlivý provoz technických rozvodů vody, tato varianta nabídne parametry a konstrukční prvky, které usnadní montáž, servis i dlouhodobý provoz.

Ventily pomáhají řídit průtok a bezpečně uzavřít větev rozvodu při servisu nebo změně provozních podmínek. Správné provedení a dimenze zvyšují bezpečnost provozu a snižují riziko problémů v navazujících částech systému.

Ekologické vytápění od Richter + Frenzel. Naše rozvody vody a topení jsou navrženy s ohledem na udržitelnost.

Více o produktu

Skladem

Katalogová cena:
6 117,76 Kč s DPH

Aktuální prodejní cena:
5 505,98 s DPH

4 550,40 Kč bez DPH

KS

Rozdíl mezi katalogovou a prodejní cenou: 10%
Nejnižší prodejní cena za 30 dní: 5 505,98 Kč s DPH

Kód zboží:

169209

Kód dodavatele:

1410G01500

EAN:

Značka:

Kemper

Série:

Kemper - Ventily Multi-Therm

Země původu:

Německo

Popis produktu

Technické parametry

Balení

30 KS

Závit

3/4"

Max. provozní tlak

16 bar

Průtok

110 l/min

Velikost připojení

G 3/4"

Min.teplota (média, okolí)

50 °C

Jmenovitá světlost

DN 15

Max.teplota (média, okolí)

90 °C

Přepravované médium

Pitná voda

Materiál

Nerezová ocel

Max. provozní tlak

1,6 MPa

Hmotnost

0,66 kg

Hloubka/délka

110 mm

Výška

85 mm

Proč nakupovat na Plano.cz

Spolupracujeme s profesionály

Spolupracujeme s profesionály

Jsme partnerem pro řemeslníky, firmy i domácí kutily. Nabízíme kvalitní a osvědčené produkty pro koupelny, vodu, topení, zahradu a dům.

Máme vše co potřebujete

Vše, co potřebujete na jednom místě

Od vodoinstalačních prvků po radiátory, od zahradních hadic po profesionální nářadí – u nás najdete vše pro dům, byt i zahradu.

Optiline a Plano

Naše vlastní značka = kvalita za férovou cenu

Produkty Optiline, Plano a For zaručují precizní zpracování a výhodnou cenu. Nakupujete přímo od specialistů pro koupelny, vodu a topení.

Doplňkové služby

Odborné služby a individuální přístup

Pomůžeme s výběrem produktů, vyřízením dotací, vytvořením 3D návrhu koupelny a poradíme Vám s každým projektem.

Vážení zákazníci, během velikonočních svátků neexpedujeme zboží. Děkujeme za pochopení a přejeme veselé Velikonoce.