Čerpadlo oběhové mokroběžné Grundfos Alpha1 GO, 25-40, 180 mm

Moderní, energeticky účinné čerpadlo s inteligentním řízením, určené pro široké spektrum aplikací v topných a klimatizačních soustavách rodinných i komerčních budov.

Hlavní výhody

  • Možnost snadné výměny starších oběhových čerpadel s replikací výkonových křivek přes aplikaci Grundfos GO
  • Inteligentní řízení s režimy konstantního tlaku, proporcionálního tlaku a konstantní křivky
  • Integrovaný frekvenční měnič pro optimální přizpůsobení výkonu aktuálním potřebám soustavy
  • Snadná instalace díky kompaktním rozměrům a standardizovaným připojením
  • Automatické samoodvzdušnění a elektronická ochrana proti chodu nasucho pro spolehlivý a tichý provoz
  • Odolná konstrukce s litinovým tělesem a kompozitním oběžným kolem s dlouhou životností
  • Energetická účinnost EEI 0,20 pro nízké provozní náklady


Použití

  • Vytápění komerčních budov a rodinných domů
  • Klimatizace v komerčních objektech
  • Dálkové vytápění a chlazení
  • Cirkulace teplé vody (u variant z korozivzdorné oceli)
  • Modernizace starších soustav díky možnosti kopírování křivek původních čerpadel


Charakteristika

  • Mokroběžné oběhové čerpadlo s elektronicky komutovaným motorem
  • Integrovaný frekvenční měnič a inteligentní ovládání
  • Odolné litinové těleso a kompozitní oběžné kolo (PES+30% GF)
  • Provozní teplota kapaliny v rozsahu 2 až 110 °C
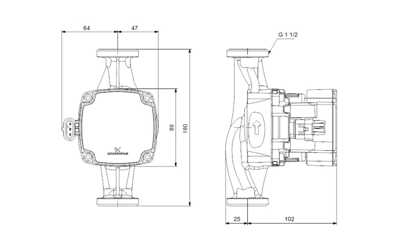
  • Kompaktní konstrukce s délkou port-port 180 mm
  • Snadné nastavení a monitoring pomocí aplikace Grundfos GO


Technické parametry

  • Jmenovitý průtok: 1,65 m3/h
  • Jmenovitá dopravní výška: 1,89 m
  • Rozsah teploty kapaliny: 2 .. 110 °C
  • Maximální provozní tlak: 10 bar
  • Délka port-port: 180 mm
  • Velikost připojení: G 1 1/2˝
  • Napájení: 1 x 220–240 V, 50/60 Hz
  • Elektrický příkon: 4–27 W
  • Krytí: IP44
  • Třída izolace: F
  • Energetická účinnost: EEI 0,20
  • Čistá hmotnost: 1,92 kg


Moderní oběhové čerpadlo pro topný systém s robustní konstrukcí a dlouhou životností. Jeho výkonnost a spolehlivost zajišťují optimální provoz a pohodlné vytápění vašeho domova.

Richter + Frenzel - profesionálové na vytápění. Naše systémy pro rozvody vody a topení jsou koncipovány s ohledem na energetickou účinnost.

Více o produktu

Skladem

Katalogová cena:
8 997,56 Kč s DPH

Aktuální prodejní cena:
4 303,00 s DPH

3 556,20 Kč bez DPH

KS

Rozdíl mezi katalogovou a prodejní cenou: 52%
Nejnižší prodejní cena za 30 dní: 4 303,00 Kč s DPH

Kód zboží:

962998

Kód dodavatele:

93074185

EAN:

5715467404128

Značka:

Grundfos

Série:

Grundfos - ALPHA1 GO

Země původu:

Serbia

Popis produktu

Technické parametry

Materiál

Litina

Hlučnost

45 dB

Jmenovitý proud

0,3 A

Max.teplota (média, okolí)

110 °C

Příkon

27 W

Použití

Vytápění/chlazení/cirkulace TV

Typ připojení

Závitové

Max. provozní tlak

1 MPa

Max. provozní tlak

10 bar

Velikost připojení

6/4"

Min.teplota (média, okolí)

2 °C

Závit

6/4"

Energetická třída

A

Napětí

230 V

Přepravované médium

Voda

Příkon

27 W

Barva

Červená / černá

Hmotnost

2,11 kg

Hloubka/délka

102 mm

Šířka

111 mm

Výška

180 mm

Proč nakupovat na Plano.cz

Spolupracujeme s profesionály

Spolupracujeme s profesionály

Jsme partnerem pro řemeslníky, firmy i domácí kutily. Nabízíme kvalitní a osvědčené produkty pro koupelny, vodu, topení, zahradu a dům.

Máme vše co potřebujete

Vše, co potřebujete na jednom místě

Od vodoinstalačních prvků po radiátory, od zahradních hadic po profesionální nářadí – u nás najdete vše pro dům, byt i zahradu.

Optiline a Plano

Naše vlastní značka = kvalita za férovou cenu

Produkty Optiline, Plano a For zaručují precizní zpracování a výhodnou cenu. Nakupujete přímo od specialistů pro koupelny, vodu a topení.

Doplňkové služby

Odborné služby a individuální přístup

Pomůžeme s výběrem produktů, vyřízením dotací, vytvořením 3D návrhu koupelny a poradíme Vám s každým projektem.

PLANO_Kreslicí plátno 1.svg
OPTILINE_Kreslicí plátno 1.svg