Hygiene Flush Box PURE Kemper KHS, s dvěma přívody, DN 15

Hygiene Flush Box PURE KHS je armatura určená pro spolehlivý provoz technických rozvodů vody.

Hlavní výhody:

  • Obzvlášť se hodí pro časově řízené intervalové proplachování v malých objektech
  • Pro automaticky spouštěnou obměnu vody k zajištění provozu podle pokynů
  • Umožňuje turbulentní výměnu vody v potrubích pitné vody do DN 50
  • Se dvěma přívody (skupiny výměny vody) např. pro studenou pitnou vodu (PWC) a teplou pitnou vodu (PWH)
  • Kovové části které se dotýkají média
  • Jsou z červeného bronzu odolného proti odzinkování a korozi proti agresivní vodě
  • Nerezové oceli a plastům povolených pro systémy pitné vody


Technické informace:

  • Série: Hygienické splachovací boxy KHS
  • Objednací číslo: 6890300600
  • DN: 15
  • Tlakový stupeň: PN 10
  • Max. provozní teplota: 70 °C krytí IP44 napájení 230 V AC
  • Odebíraný výkon 4.5 W


Příslušenství:

  • Perlator včetně Omezovače průtoku pro KHS Hygiene Flush Box PRO, PURE a LITE Figur 689 04 019
  • Vyměnitelné víko s ochranou přístupu pro hygienické proplachování KHS PRO/PURE/LITE Figur 689 04 026


Náhradní díly:

  • Řídící jednotka PURE pro KHS Hygiene Flush Box Figur 689 04 011
  • Elektromagnetický ventil pro sanitární splachování KHS Figur 689 04 016
  • Plovákový spínač pro KHS Hygiene Flush Box Figur 689 04 017
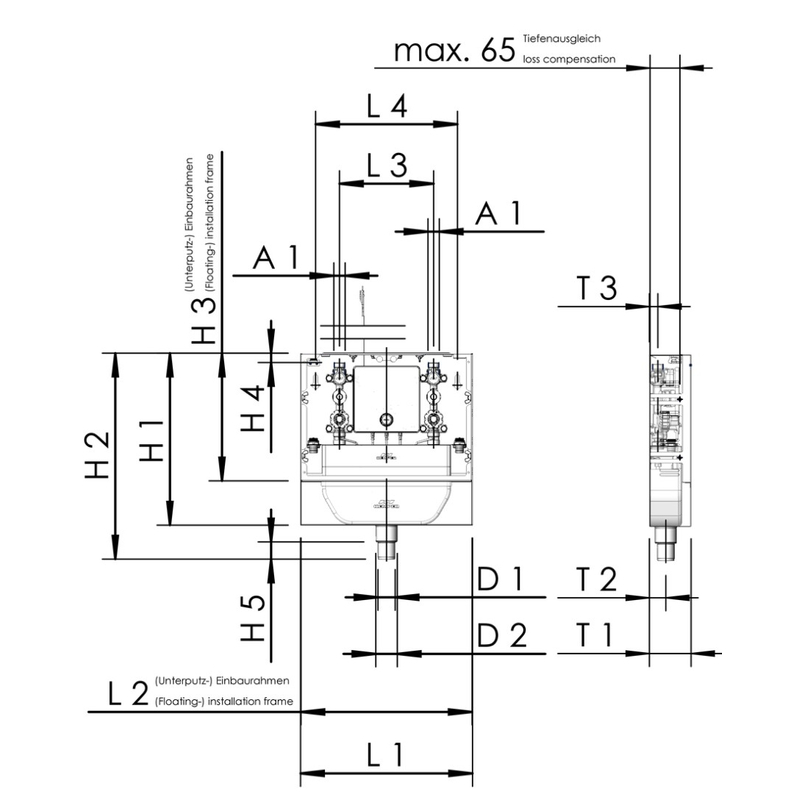
  • (Podomítkový-) montažní ram (ink. Hloubkového vyrovnání) a výměnný (ink.kricídeska s pojistkou)pro KHS Hygiene Flush Box Figur 689 04 018
  • Proplachovací skupina PURE pro KHS Hygiene Flush Box Figur 689 04 022
  • ucpávky pro magnetický ventil a vytokové otvory KHS Hygiene Flush Box Figur 689 04 025


Normy a schválení:

  • DVGW
  • SVGW
  • WRAS
  • KIWA
  • BELGAQUA
  • hodnoticích kritérií Spolkového úřadu pro životní prostředí pro kovy (UBA BWGL Metalle)
  • povolení zvukové izolace podle DIN EN ISO 3822 třída 1 (až 30l/min)


Doporučujeme:

Pokud hledáte Hygiene Flush Box PURE KHS pro spolehlivý provoz technických rozvodů vody, tato varianta nabídne parametry a konstrukční prvky, které usnadní montáž, servis i dlouhodobý provoz.

Armatury podporují bezpečný provoz rozvodů a zjednodušují údržbu technických instalací. Vhodná volba a kompatibilita usnadní montáž a podpoří dlouhodobou spolehlivost systému.

Vytápění s vizí do budoucnosti - Richter + Frenzel. Naše řešení pro rozvody vody a topení jsou připravena na výzvy moderní doby.

Více o produktu

U Dodavatele

Katalogová cena:
51 971,92 Kč s DPH

Aktuální prodejní cena:
49 373,32 s DPH

40 804,40 Kč bez DPH

KS

Rozdíl mezi katalogovou a prodejní cenou: 5%
Nejnižší prodejní cena za 30 dní: 48 691,67 Kč s DPH

Kód zboží:

935271

Kód dodavatele:

6890300600

EAN:

Značka:

Kemper

Série:

Kemper - Systém řízení KHS

Země původu:

Německo

Popis produktu

Technické parametry

Materiál

Nerezová ocel

Provedení závitů

Vnitřní

Jmenovitá světlost

DN 15

Balení

1 KS

Přepravované médium

Pitná voda

Závit

3/4"

Hmotnost

8,6 kg

Výška

50 mm

Proč nakupovat na Plano.cz

Spolupracujeme s profesionály

Spolupracujeme s profesionály

Jsme partnerem pro řemeslníky, firmy i domácí kutily. Nabízíme kvalitní a osvědčené produkty pro koupelny, vodu, topení, zahradu a dům.

Máme vše co potřebujete

Vše, co potřebujete na jednom místě

Od vodoinstalačních prvků po radiátory, od zahradních hadic po profesionální nářadí – u nás najdete vše pro dům, byt i zahradu.

Optiline a Plano

Naše vlastní značka = kvalita za férovou cenu

Produkty Optiline, Plano a For zaručují precizní zpracování a výhodnou cenu. Nakupujete přímo od specialistů pro koupelny, vodu a topení.

Doplňkové služby

Odborné služby a individuální přístup

Pomůžeme s výběrem produktů, vyřízením dotací, vytvořením 3D návrhu koupelny a poradíme Vám s každým projektem.

Vážení zákazníci, během velikonočních svátků neexpedujeme zboží. Děkujeme za pochopení a přejeme veselé Velikonoce.