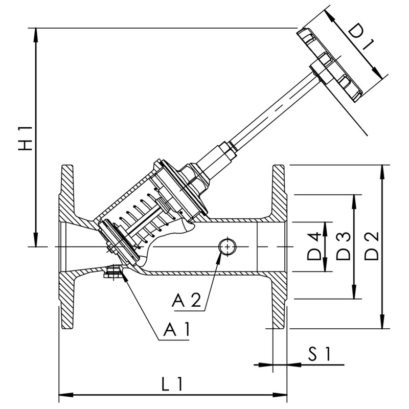
Volně průtoková zpětná klapka s vypouštěním Kemper, Přírubová, DN 65

Volně průtoková zpětná klapka s vypouštěním je armatura určená pro zajištění potrubí proti zpětnému proudění média.

Hlavní výhody:

  • konstrukce bez kontaktu média s mosazí je vhodná i pro náročnější provozní podmínky
  • bezúdržbové EPDM těsnění podporuje spolehlivou funkci bez častých zásahů
  • EPDM sedlové těsnění přispívá k těsnosti uzávěru
  • přírubové připojení je vhodné pro robustní instalace a větší dimenze
  • vypouštěcí ventil zjednodušuje servis, vypuštění a kontrolu armatury
  • příprava na kontrolu zrychluje pravidelný servis
  • nerezová pružina podporuje dlouhodobou spolehlivost zpětné klapky


Technické informace:

  • Série: Zpětná klapka a kombinovaná zpětná klapka
  • Objednací číslo: 1370206500
  • DN: 65
  • Tlakový stupeň: PN 16
  • Max. provozní teplota: 100 °C


Příslušenství:



Náhradní díly:



Normy a schválení:

  • ustanovení DVGW
  • hodnoticích kritérií Spolkového úřadu pro životní prostředí pro materiály
  • které jsou v kontaktu s pitnou vodou (UBA KTW BWGL)
  • hodnoticích kritérií Spolkového úřadu pro životní prostředí pro kovy (UBA BWGL Metalle)
  • DIN EN 13959 - osvědčení / DIN EN 558-1
  • ÜA-Reg.-Nr. R-15.2.3-21-17048
  • WIEN-ZERT


Doporučujeme:

Pokud hledáte Volně průtoková zpětná klapka s vypouštěním pro zajištění potrubí proti zpětnému proudění média, tato varianta nabídne parametry a konstrukční prvky, které usnadní montáž, servis i dlouhodobý provoz.

Klapky pomáhají zabránit zpětnému proudění a chrání instalaci před nežádoucími změnami tlaku nebo směru proudění. Správné provedení a dimenze zvyšují bezpečnost provozu a snižují riziko problémů v navazujících částech systému.

Richter + Frenzel - vaše spolehlivé řešení vytápění. Naše produkty pro rozvody vody a topení splňují nejvyšší standardy kvality.

Více o produktu

U Dodavatele

Katalogová cena:
58 643,86 Kč s DPH

Aktuální prodejní cena:
52 779,47 s DPH

43 619,40 Kč bez DPH

KS

Rozdíl mezi katalogovou a prodejní cenou: 10%
Nejnižší prodejní cena za 30 dní: 52 779,47 Kč s DPH

Kód zboží:

989191

Kód dodavatele:

1370206500

EAN:

Značka:

Kemper

Série:

Kemper - Zpětné klapky

Země původu:

Německo

Popis produktu

Technické parametry

Materiál

Nerezová ocel

Přepravované médium

Pitná voda

Provedení závitů

Vnitřní

Závit

1/4"

Jmenovitá světlost

DN 65

Balení

1 KS

Max. provozní tlak

16 bar

Max.teplota (média, okolí)

100 °C

Max. provozní tlak

1,6 MPa

Max. provozní tlak

PN16

Hmotnost

11,17 kg

Hloubka/délka

290 mm

Šířka

120 mm

Výška

293 mm

Proč nakupovat na Plano.cz

Spolupracujeme s profesionály

Spolupracujeme s profesionály

Jsme partnerem pro řemeslníky, firmy i domácí kutily. Nabízíme kvalitní a osvědčené produkty pro koupelny, vodu, topení, zahradu a dům.

Máme vše co potřebujete

Vše, co potřebujete na jednom místě

Od vodoinstalačních prvků po radiátory, od zahradních hadic po profesionální nářadí – u nás najdete vše pro dům, byt i zahradu.

Optiline a Plano

Naše vlastní značka = kvalita za férovou cenu

Produkty Optiline, Plano a For zaručují precizní zpracování a výhodnou cenu. Nakupujete přímo od specialistů pro koupelny, vodu a topení.

Doplňkové služby

Odborné služby a individuální přístup

Pomůžeme s výběrem produktů, vyřízením dotací, vytvořením 3D návrhu koupelny a poradíme Vám s každým projektem.

Výhradní distributor sanitárních produktů Kermi v ČR.